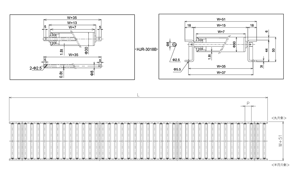
HJR-2015b
Cat:Rollertransportør
Bredde af rulle W (mm) 100 200 300 400 ...
Avanceret struktur, ydeevne af høj kvalitet, let at bruge, høj pålidelighed og holdbarhed.
Rollertransportører har typisk PVC -ruller med en integreret harpiksleje og aksel. Rammemulighederne inkluderer pulverovertrukket stål, rustfrit stål eller aluminium. Denne transportetype er velegnet til lysbelastningsgenstande og er også anvendelig inden for fødevarer, farmaceutiske og kemiske industrier.

Bredde af rulle W (mm) 100 200 300 400 ...
| Bredde af rulle W (mm) | 100 | 200 | 300 | 400 | 500 | |
| Bredde på transportør W 45 (mm) | 145 | 245 | 345 | 445 | 545 | |
| Indlæsning af rulle (kg) | 11.5 | 10.7 | 10 | 9.2 | 7.0 | |
| 2000L Vægt af transportør (kg) | 25p | 4.3 | 6.4 | 8.5 | 10.7 | 12.8 |
| 30p | 3.8 | 5.7 | 7.5 | 9.4 | 11.3 | |
| Vægt af rulle (G) | 33 | 55 | 78 | 100 | 12.2 | |

Bredde af rulle W (mm) 100 200 300 400 ...
| Bredde af rulle W (mm) | 100 | 200 | 300 | 400 | |
| Bredde på transportør W 45 (mm) | 145 | 245 | 345 | 445 | |
| Indlæsning af rulle (kg) | 13.5 | 12.6 | 12.5 | 11.8 | |
| 2000L Vægt af transportør (kg) | 30p | 6.5 | 8.5 | 11 | 19 |
| 40p | 5 | 7.5 | 10 | 12.3 | |
| Vægt af rulle (G) | 50.5 | 75 | 115 | 145 | |

Bredde af rulle W (mm) 100 200 300 400 ...
| Bredde af rulle W (mm) | 100 | 200 | 300 | 400 | 500 | |
| Bredde på transportør W 51 (mm) | 151 | 251 | 351 | 451 | 551 | |
| Indlæsning af rulle (kg) | 16.5 | 15.7 | 15 | 14.2 | 13.5 | |
| 1500L Vægt af transportør (kg) | 40p | 7.2 | 10.8 | 14.5 | 18 | 21.7 |
| 50p | 6.2 | 9.2 | 12.2 | 15.1 | 18.2 | |
| Vægt af rulle (G) | 64 | 106 | 149 | 191 | 235 | |

Bredde af rulle W (mm) 100 200 300 400 ...
| Bredde af rulle W (mm) | 100 | 200 | 300 | 400 | 500 | |
| Bredde på transportør W 75 (mm) | 175 | 275 | 375 | 475 | 575 | |
| Indlæsning af rulle (kg) | 21.5 | 20.8 | 20.1 | 19.5 | 18.6 | |
| 3000L vægt af transportør (kg) | 50p | 11.5 | 15.2 | 18.8 | 22.5 | 26.2 |
| 75p | 9.7 | 12.3 | 14.8 | 17.5 | 20.0 | |
| Vægt af rulle (G) | 91 | 145 | 199 | 253 | 307 | |

Bredde af rulle W (mm) 100 200 300 400 ...
| Bredde af rulle W (mm) | 100 | 200 | 300 | 400 | 500 | 600 | |
| Bredde på transportør W 75 (mm) | 175 | 275 | 375 | 475 | 575 | 675 | |
| Indlæsning af rulle (kg) | 32 | 31 | 30 | 29.5 | 28.5 | 27.7 | |
| 3000L vægt af transportør (kg) | 75p | 13.5 | 17.7 | 22.0 | 26.1 | 30.5 | 34.1 |
| 100p | 12.1 | 15.3 | 18.6 | 21.9 | 25.2 | 27.8 | |
| Vægt af rulle (G) | 148 | 243 | 339 | 435 | 530 | 626 | |

Bredde af rulle W (mm) 100 200 300 400 ...
| Bredde af rulle W (mm) | 100 | 200 | 300 | 400 | 500 | 600 | |
| Bredde på transportør W 75 (mm) | 175 | 275 | 375 | 475 | 575 | 675 | |
| Indlæsning af rulle (kg) | 35 | 34 | 33 | 30 | 29 | 28.5 | |
| 3000L vægt af transportør (kg) | 75p | 14.4 | 19.3 | 24.2 | 29.0 | 34.0 | 38.2 |
| 100p | 12.7 | 16.5 | 20.3 | 23.9 | 27.8 | 30.9 | |
| Vægt af rulle (G) | 172 | 283 | 395 | 506 | 617 | 728 | |
Hvorfor rullebanevedligeholdelse direkte påvirker systemets levetid Rullebane systemer er rygraden i m...
Læs mereHvad gør en rullebane til virkelig robust? En kraftig rulletransportør defineres ikke af markedsføringskrav, me...
Læs mereHvad er rullebaner, og hvorfor betyder typen noget? Rullebaner er materialehåndteringssystemer, der br...
Læs mereHvorfor rullebaner forbliver rygraden i materialehåndtering Rullebaner forbedre effektiviteten i moder...
Læs mereAt bringe håndværk til fremtiden.
No.60, Zhenhu North Road, Hudai Town, Binhu District , Wuxi 214100, Kina







