HR-TC220
Cat:Taperrullertransportør
Bredde w (mm) 200 A (φ) Diameter 31.3 ...
Avanceret struktur, ydeevne af høj kvalitet, let at bruge, høj pålidelighed og holdbarhed.
Også kendt som kurvrullertransportøren giver Taper Roller -transportøren mulighed for at dreje vinkler på 30, 45, 60, 90 og 180 grader. Det bruges hovedsageligt til retningsændringer i transportelinjer, med 30, 45 og 60 grader, der ofte bruges til forgrening og fusionering af transportører. Denne transportør er en let type med en belastningskapacitet, der generelt ikke overstiger 200 kg.
| R | Type \ bredde | 200 | 300 | 400 | 500 | 600 | 700 | 800 | 900 | 1000 | 1100 | 1200 | Rollerbane |
| 220 | HR-TC220 | ○ | - | - | - | - | - | - | - | - | - | - | 50,75.100 |
| 320 | HR-TC320 | - | ○ | - | - | - | - | - | - | - | - | - | 50,75,100 |
| 500 | HR-TC500A | - | ○ | ○ | ○ | ○ | ○ | - | - | - | - | - | 75 |
| 700 | HR-TC700 | ○ | ○ | ○ | ○ | ○ | - | - | - | - | - | - | 75.100.150 |
| 900 | HR-TCN | - | ○ | ○ | ○ | ○ | ○ | ○ | - | - | - | - | 75.100.150 |
| HR-TC900 | ○ | ○ | ○ | ○ | ○ | - | - | - | - | - | - | 75.100.150 | |
| HR-TC900A | - | ○ | ○ | ○ | ○ | ○ | ○ | - | - | - | - | 75,100 | |
| HR-TCL | - | - | - | - | - | - | - | ○ | ○ | ○ | ○ | 75.100.150.200 | |
| 1200 | HR-TC1200 | ○ | ○ | ○ | ○ | ○ | - | - | - | - | - | - | 75.100.150 |
| HR-TC1200A | - | - | - | - | - | - | ○ | ○ | ○ | ○ | ○ | 75.100 | |
| 1600 | HR-TC1600 | - | - | ○ | ○ | ○ | ○ | ○ | - | - | - | - | 75.100.150.200 |

Bredde w (mm) 200 A (φ) Diameter 31.3 ...
| Bredde w (mm) | 200 | |
| A (φ) | Diameter | 31.3 |
| Tykkelse | 3.5 | |
| B (φ) | Diameter | 60.5 |
| Tykkelse | 2.0 | |
| Indlæsning af rulle (kg) | 100 | |

Bredde w (mm) 300 A (φ) Diameter 31.2 ...
| Bredde w (mm) | 300 | |
| A (φ) | Diameter | 31.2 |
| Tykkelse | 3.6 | |
| B (φ) | Diameter | 60.5 |
| Tykkelse | 2.1 | |
| Indlæsning af rulle (kg) | 100 | |

Bredde w (mm) 300 400 500 600 700 ...
| Bredde w (mm) | 300 | 400 | 500 | 600 | 700 | 800 | |
| A (φ) | Diameter | 42.7 | 42.7 | 42.7 | 42.7 | 42.7 | 42.7 |
| Tykkelse | 3.2 | 3.2 | 3.1 | 3.1 | 3.1 | 3.1 | |
| B (φ) | Diameter | 56.8 | 61.3 | 66.4 | 71.3 | 76.2 | 80.0 |
| Tykkelse | 2.1 | 2.1 | 2.1 | 2.1 | 2.0 | 2.0 | |
| Indlæsning af rulle (kg) | 100 | 90 | 85 | 76 | 59 | 54 | |

Bredde w (mm) 900 1000 1100 1200 ...
| Bredde w (mm) | 900 | 1000 | 1100 | 1200 | |
| A (φ) | Diameter | 42.7 | 42.7 | 42.7 | 42.7 |
| Tykkelse | 3.5 | 3.8 | 4.5 | 4.5 | |
| B (φ) | Diameter | 86.7 | 91.0 | 95.3 | 100.0 |
| Tykkelse | 2.0 | 1.8 | 2.0 | 1.8 | |
| Indlæsning af rulle (kg) | 110 | 95 | 87 | 80 | |

Bredde w (mm) 200 300 400 500 600 ...
| Bredde w (mm) | 200 | 300 | 400 | 500 | 600 | |
| A (φ) | Diameter | 41.3 | 41.3 | 41.3 | 41.3 | 41.3 |
| Tykkelse | 3.3 | 3.3 | 3.3 | 3.3 | 3.3 | |
| B (φ) | Diameter | 52.2 | 57.6 | 63.1 | 68.6 | 74.0 |
| Tykkelse | 2.5 | 2.4 | 2.4 | 2.3 | 2.3 | |

Bredde w (mm) 200 300 400 500 600 ...
| Bredde w (mm) | 200 | 300 | 400 | 500 | 600 | |
| A (φ) | Diameter | 45.0 | 45.0 | 45.0 | 45.0 | 45.0 |
| Tykkelse | 3.2 | 3.2 | 3.2 | 3.2 | 3.2 | |
| B (φ) | Diameter | 54.9 | 59.9 | 64.9 | 69.8 | 74.8 |
| Tykkelse | 2.2 | 2.2 | 2.1 | 2.1 | 2.0 | |

Bredde w (mm) 200 300 400 500 600 ...
| Bredde w (mm) | 200 | 300 | 400 | 500 | 600 | |
| A (φ) | Diameter | 48.0 | 48.0 | 48.0 | 48.0 | 48.0 |
| Tykkelse | 3.1 | 3.1 | 3.1 | 3.1 | 3.1 | |
| B (φ) | Diameter | 56.8 | 61.2 | 65.7 | 70.1 | 74.5 |
| Tykkelse | 2.3 | 2.3 | 2.2 | 2.2 | 2.1 | |

Bredde w (mm) 400 500 600 700 800 ...
| Bredde w (mm) | 400 | 500 | 600 | 700 | 800 | |
| A (φ) | Diameter | 50.0 | 50.0 | 50.0 | 50.0 | 50.0 |
| Tykkelse | 3.0 | 3.0 | 3.0 | 3.0 | 3.0 | |
| B (φ) | Diameter | 63.0 | 66.3 | 69.5 | 72.8 | 76.0 |
| Tykkelse | 2.3 | 2.2 | 2.2 | 2.1 | 2.0 | |

Bredde w (mm) 300 400 500 600 700 ...
| Bredde w (mm) | 300 | 400 | 500 | 600 | 700 | 800 | |
| A (φ) | Diameter | 42 | 42 | 42 | 42 | 42 | 42 |
| Tykkelse | 2 | 2 | 2 | 2 | 2 | 2 | |
| B (φ) | Diameter | 79 | 91 | 103 | 116 | 128 | 140 |
| Tykkelse | 20.5 | 26.5 | 32.5 | 39.0 | 45.0 | 51.0 | |

Bredde w (mm) 200 300 400 500 600 ...
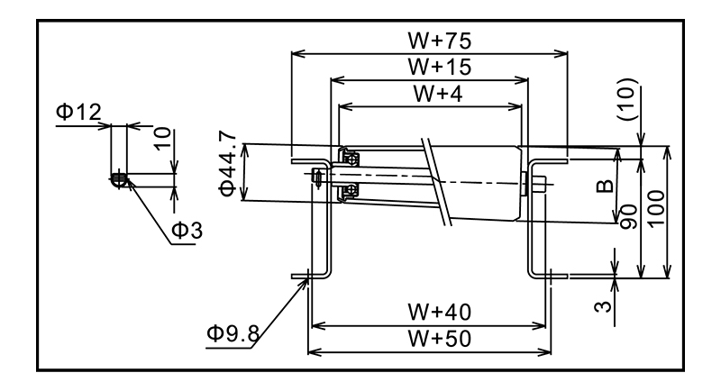
| Bredde w (mm) | 200 | 300 | 400 | 500 | 600 | 700 | |
| A (φ) | Diameter | 44.7 | 44.7 | 44.7 | 44.7 | 44.7 | 44.7 |
| Tykkelse | 3.5 | 3.5 | 3.5 | 3.5 | 3.5 | 3.5 | |
| B (φ) | Diameter | 54.6 | 59.6 | 64.5 | 69.5 | 74.4 | 75 |
| Tykkelse | 2.4 | 2.3 | 2.3 | 2.2 | 2.2 | 2.2 | |

Type Mærke Stivhed Varmebestandighed Kold modstand ...
| Type | Mærke | Stivhed | Varmebestandighed | Kold modstand | Oliebestandighed | Slidstyrke | |||
| Naturgummi | Nr | Omkring 60 | 120c | -50 ° ℃ | X | O | |||
| Ding nitrilgummi | NBR | Omkring 60 | 130C ° | -10 ° C. | O | O | |||
| Polyurethan gummi | PU | Omkring 90 | 80c ° | -30 ° C. | O | O | |||
| Naturgummi | Ding nitrilgummi | Roller | Diameter*Tykkelse*Axis -diameter | Rullebredde | |||||
| RR-4812P | RRG-4812P | R-3812P | 48*5*12 | 100 ~ 1500 | |||||
| RR-4816 | RRG-4816 | R-3816 | 48*5*12 | 100 ~ 1500 | |||||
| RR-6721P | RRG-6721P | R-5721p | 67*5*12 | 100 ~ 1500 | |||||

Belægningstyper Fordele Belægningstykkelse Elektrisk galv...
| Belægningstyper | Fordele | Belægningstykkelse |
| Elektrisk galvaniseret | Hvid zink, blå-hvid zink, trivalent krom | Mere end 5 mikron |
| Hard Chrome Plettering | Høj hårdhed | Mere end 3 mikron |
Hvorfor rullebanevedligeholdelse direkte påvirker systemets levetid Rullebane systemer er rygraden i m...
Læs mereHvad gør en rullebane til virkelig robust? En kraftig rulletransportør defineres ikke af markedsføringskrav, me...
Læs mereHvad er rullebaner, og hvorfor betyder typen noget? Rullebaner er materialehåndteringssystemer, der br...
Læs mereHvorfor rullebaner forbliver rygraden i materialehåndtering Rullebaner forbedre effektiviteten i moder...
Læs mereAt bringe håndværk til fremtiden.
No.60, Zhenhu North Road, Hudai Town, Binhu District , Wuxi 214100, Kina







