W-1225BS
Cat:Skærehjulstransportør
Type D*w*d*b Aksel Rammestørrelse H*W1*W2*W3*T. ...
Hjultransportøren, også kendt som en rulleguide skinne eller rullebillede, er et meget effektivt værktøj, der bruges til materialehåndtering og automatiseringsproduktionslinjer. Det er typisk sammensat af ruller og parenteser. Disse ruller understøtter og styrer belastninger til glat bevægelse i en specificeret retning.

Type D*w*d*b Aksel Rammestørrelse H*W1*W2*W3*T. ...
| Type | D*w*d*b | Aksel | Rammestørrelse H*W1*W2*W3*T. | Højde H | Længde L | Hjulbane S | ENKELT HJULSLOTING (kg) | Rammetype |
| W-1225BS | 12x25x4.1x27 | M4X35L | 15x30.2x9x37x1.6 | 17 | 1000 · 1500 · 2000 | 14 | 35 | A |

Type D*w*d*b Aksel Rammestørrelse H*W1*W2*W3*T. ...
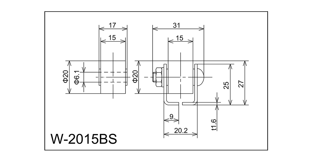
| Type | D*w*d*b | Aksel | Rammestørrelse H*W1*W2*W3*T. | Højde H | Længde L | Hjulbane S | ENKELT HJULSLOTING (kg) | Rammetype |
| W-2015BS | 20x15x6.1x17 | M6X27L | 25x20.2x9x31x1.6 | 27 | 1000 · 1500 · 2000 | 25 · 30 · 35 | 30 | A |

Type D*w*d*b Aksel Rammestørrelse H*W1*W2*W3*T. ...
| Type | D*w*d*b | Aksel | Rammestørrelse H*W1*W2*W3*T. | Højde H | Længde L | Hjulbane S | ENKELT HJULSLOTING (kg) | Rammetype |
| W-2025BS | 20x25x6.1x27 | M6X37L | 25x30.2x9x41x1.6 | 27 | 1000 · 1500 · 2000 | 25 · 30 · 35 | 40 | A |

Type D*w*d*b Aksel Rammestørrelse H*W1*W2*W3*T. ...
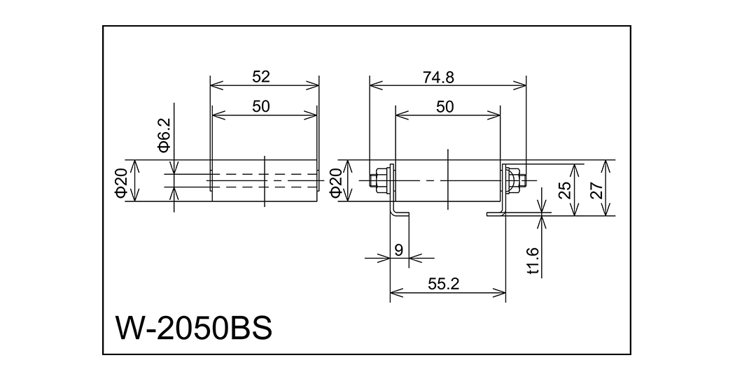
| Type | D*w*d*b | Aksel | Rammestørrelse H*W1*W2*W3*T. | Højde H | Længde L | Hjulbane S | ENKELT HJULSLOTING (kg) | Rammetype |
| W-2050BS | 20x50x6.2x52 | M6X65L | 25x55.2x9x74.8x1.6 | 27 | 1000 · 1500 · 2000 | 25 · 30 · 35 | 50 | A |

Type D*w*d*b Aksel Rammestørrelse H*W1*W2*W3*T. ...
| Type | D*w*d*b | Aksel | Rammestørrelse H*W1*W2*W3*T. | Højde H | Længde L | Hjulbane S | ENKELT HJULSLOTING (kg) | Rammetype |
| W-20100bs | 20x100x6.2x102 | M6X115L | 25x105.2x9x124.8x1.6 | 27 | 1000 · 1500 · 2000 | 25 · 30 · 35 | 50 | A |

Type D*w*d*b Aksel Rammestørrelse H*W1*W2*W3*T. ...
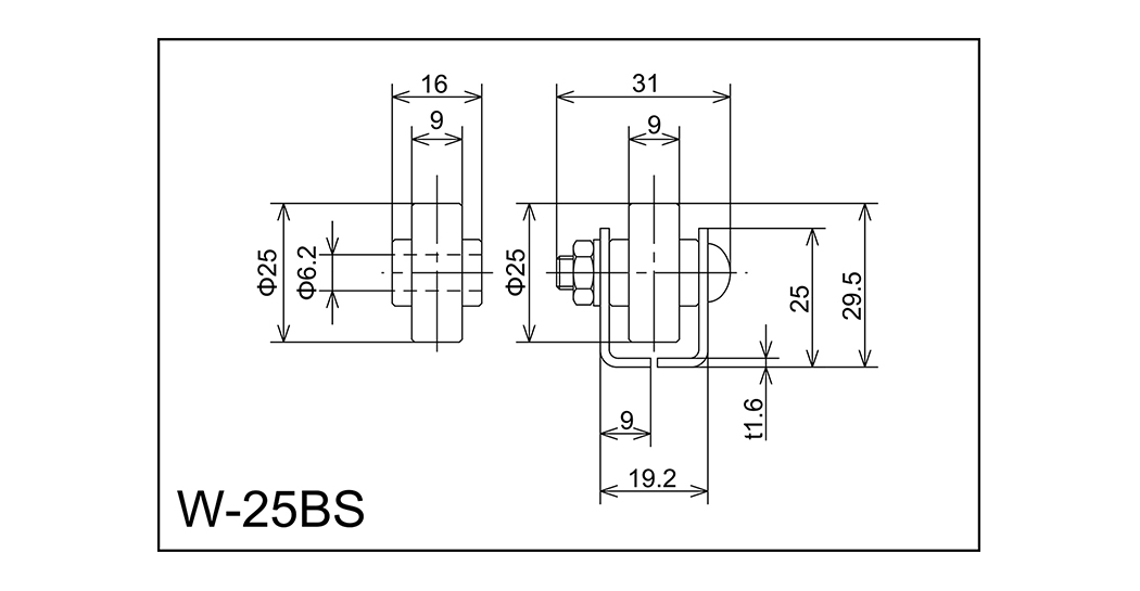
| Type | D*w*d*b | Aksel | Rammestørrelse H*W1*W2*W3*T. | Højde H | Længde L | Hjulbane S | ENKELT HJULSLOTING (kg) | Rammetype |
| W-25BS | 25x9x6.2x16 | M6X27L | 25x19.2x9x31x1.6 | 29.5 | 1000 · 1500 · 2000 | 30 · 35 | 30 | A |

Type D*w*d*b Aksel Rammestørrelse H*W1*W2*W3*T. ...
| Type | D*w*d*b | Aksel | Rammestørrelse H*W1*W2*W3*T. | Højde H | Længde L | Hjulbane S | ENKELT HJULSLOTING (kg) | Rammetype |
| W-2523BS | 25x23x8.2x25 | M8X35L | 25x28.2x9x40x1.6 | 29.5 | 1000 · 1500 · 2000 | 30-35 | 50 | A |

Type D*w*d*b Aksel Rammestørrelse H*W1*W2*W3*T. ...
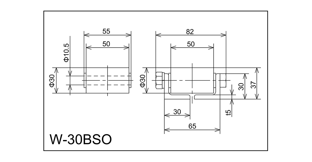
| Type | D*w*d*b | Aksel | Rammestørrelse H*W1*W2*W3*T. | Højde H | Længde L | Hjulbane S | ENKELT HJULSLOTING (kg) | Rammetype |
| W-30bso | 30x50x10.5x55 | M10X75L | 30x65x30x82x5 | 37 | 1000 · 2000 · 3000 | 35 · 50 | 160 | N |

Type D*w*d*b Aksel Rammestørrelse H*W1*W2*W3*T. ...
| Type | D*w*d*b | Aksel | Rammestørrelse H*W1*W2*W3*T. | Højde H | Længde L | Hjulbane S | ENKELT HJULSLOTING (kg) | Rammetype |
| W-30BSH | 30x50x10.5x55 | M10X75L | 30x115x30x82x5 | 37 | 1000 · 2000 · 3000 | 35 · 50 | 160 | L |

Type D*w*d*b Aksel Rammestørrelse H*W1*W2*W3*T. ...
| Type | D*w*d*b | Aksel | Rammestørrelse H*W1*W2*W3*T. | Højde H | Længde L | Hjulbane S | ENKELT HJULSLOTING (kg) | Rammetype |
| W-32BSO | 32x25x8.2x28 | M8X45L | 35x34.4x13x50.5x3.2 | 40 | 1000 · 2000 · 3000 | 40 · 70 · 100 | 90 | A |

Type D*w*d*b Aksel Rammestørrelse H*W1*W2*W3*T. ...
| Type | D*w*d*b | Aksel | Rammestørrelse H*W1*W2*W3*T. | Højde H | Længde L | Hjulbane S | ENKELT HJULSLOTING (kg) | Rammetype |
| W-32BSL | 32x25x8.2x28 | M8X45L | 35x54x13x50.5x3.2 | 40 | 1000 · 2000 · 3000 | 40 · 70 · 100 | 90 | C |

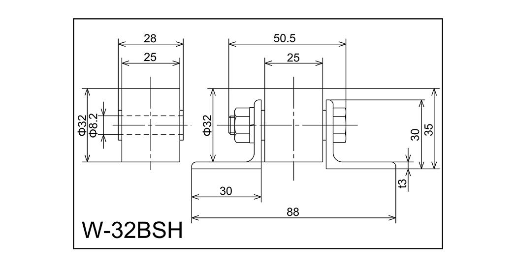
Type D*w*d*b Aksel Rammestørrelse H*W1*W2*W3*T. ...
| Type | D*w*d*b | Aksel | Rammestørrelse H*W1*W2*W3*T. | Højde H | Længde L | Hjulbane S | ENKELT HJULSLOTING (kg) | Rammetype |
| W-32BSH | 32x25x8.2x28 | M8X45L | 30x88x30x50.5x3.0 | 35 | 1000 · 2000 · 3000 | 40 · 70 · 100 | 90 | L |
Hvorfor rullebanevedligeholdelse direkte påvirker systemets levetid Rullebane systemer er rygraden i m...
Læs mereHvad gør en rullebane til virkelig robust? En kraftig rulletransportør defineres ikke af markedsføringskrav, me...
Læs mereHvad er rullebaner, og hvorfor betyder typen noget? Rullebaner er materialehåndteringssystemer, der br...
Læs mereHvorfor rullebaner forbliver rygraden i materialehåndtering Rullebaner forbedre effektiviteten i moder...
Læs mereTips til vedligeholdelse og pleje til hjultransportør
Under langvarig drift kan transportører akkumulere støv, olie og andet affald, som ikke kun vil øge friktionen, men også forårsage slid på ruller og spor. Derfor bør daglig rengøring omfatte brug af lufttryk eller specielle værktøjer til at fjerne affald fra rulleoverfladen for at sikre jævn kontakt mellem rullen og banen. Især når man beskæftiger sig med produktionslinjer med klæbrige materialer eller i støvede miljøer, skal rengøringsfrekvensen øges. Derudover er det et vigtigt skridt i forebyggelse af fiaskoer at kontrollere tilstanden for ruller og ruller for at sikre, at de ikke er deformeret eller beskadiget i at forhindre fejl.
Ruller og parenteser genererer friktion under drift. Langvarig mangel på ordentlig smøring vil forårsage overdreven slid og endda fastklemning af dele. At vælge det rigtige smøremiddel og smøre det regelmæssigt i henhold til brugsfrekvensen kan effektivt reducere slid af mekaniske dele og holde udstyret kørende. Generelt skal smøringen af ruller og lejer kontrolleres hver tredje måned for at sikre, at hver roterende del smøres fuldt ud. Derudover kan korrekt smøring ikke kun reducere slid, men også reducere støjen under udstyrsdrift, hvilket skaber et mere støjsvag arbejdsmiljø.
Kontroller belastningen af transportøren ofte for at sikre, at den fungerer inden for det nominelle belastningsinterval. Overbelastning kan forårsage skade eller deformation af rullerne eller endda forårsage mere alvorlige fejl. Derfor er det nødvendigt at regelmæssigt kontrollere hvert transmissionssystem for at sikre, at det er i normal arbejdstilstand, ikke løs og ikke producerer unormal støj. For at formidle systemer, der ofte bærer tunge genstande, er det meget vigtigt at regelmæssigt kontrollere og udskifte nøglekomponenter såsom transmissionskæder, ruller og bælter.
Hos Wuxi Huiqian Logistics Machinery Manufacturing Co., Ltd., forstår vi vigtigheden af udstyr af høj kvalitet til at opretholde effektive og pålidelige operationer. Etableret ved at integrere avanceret japansk teknologi og ekspertise er vores firma specialiseret i produktion og salg af ruller, rullefordelere, bælteconveyors, opbevaringsbure, logistikvogne, mini -transportører, rammer og hylder. Beliggende i Wuxi National Hi-Tech Technology Development District, er vores facilitet udstyret med et robust kvalitetsstyringssystem, en dygtig arbejdsstyrke og avanceret behandlingsudstyr.
Vores hjultransportør , er især designet med avanceret teknologi og fremstillet ved hjælp af råvarer af høj kvalitet under streng kvalitetskontrol. Disse transportører fungerer ikke kun usædvanligt godt i belastningskapacitet, men optimerer også kontakten mellem ruller og spor, hvilket sikrer materialestabilitet under transportprocessen, mens de reducerer slid og energiforbrug. Gennem tankevækkende produktdesign og præcis processtyring opretholder vores transportører langsigtet stabil drift, selv i barske arbejdsmiljøer, der minimerer vedligeholdelsesfrekvens og sænker driftsomkostninger for virksomheder.
Skjulte anvendelser af hjultransportør i dagligdagen
Mange mennesker er måske ikke klar over, at hver gang de handler, transporteres varer fra lagre til hylder eller endda direkte til kassetællere, som ikke kan adskilles fra støtte fra transportsystemer. I supermarkeder, indkøbscentre og distributionscentre fungerer et stort antal hjultransportører roligt, hvilket hjælper personalet med at transportere varer til udpegede placeringer gennem rullende spor. Disse hjultransportører forbedrer ikke kun driftseffektiviteten markant, men reducerer også arbejdintensiteten af manuel håndtering, hvilket minimerer potentielle fejl og tab. På samme tid understreger deres design stabilitet og holdbarhed, hvilket gør dem i stand til at fungere effektivt i travle arbejdsmiljøer for at sikre, at varer er skrinlagt og cirkuleret på en rettidig måde.
Lignende applikationer kan også findes i fremstilling, lager og sorteringscentre. Især i moderne logistiksystemer er hjultransportører en uundværlig komponent. De sikrer glatte logistikprocesser ved at bære og vejlede store mængder pakker, dele og varer. På disse felter håndterer hjultransportørerne forskellige belastninger, fra små pakker til tunge varer, som kan transporteres glat gennem præcisions-konstruerede rullesystemer. Især under højeste feriesæsoner eller salgsfremmende perioder er lager og logistikcentre stærkt afhængige af hjultransportører. Deres effektive varerstrømningskapacitet forhindrer effektivt transportforsinkelser.
Hos Wuxi Huiqian Logistics Machinery Manufacturing Co., Ltd., er vi stolte af at bidrage til disse vigtige logistikoperationer. Etableret ved at integrere avanceret japansk teknologi og ekspertise er vores firma specialiseret i produktion og salg af ruller af høj kvalitet, rullertransportører, bæltebehandlinger, opbevaringsbure, logistikvogne, mini-transportører, rammer og hylder. Baseret i Wuxi National Hi-Tech Technology Development District er vores facilitet udstyret med et robust kvalitetsstyringssystem, en dygtig arbejdsstyrke og avanceret behandlingsudstyr, der sikrer, at hvert produkt opfylder de højeste standarder for kvalitet og ydeevne.
Vores hjultransportører viser især store fordele i disse daglige applikationsscenarier. Fremstillet ved hjælp af avanceret teknologi og premium rullematerialer kan de håndtere materialer med forskellige vægte og former, mens de opererer stabilt i komplekse miljøer. Uanset om det er en kommerciel detailindstilling, der kræver højfrekvente operationer eller et lager- og logistikfelt, der kræver hastighed og præcision, giver vores hjultransportører effektive, glatte og pålidelige materialetransportløsninger. Gennem innovativt design og streng kvalitetskontrol understøtter vores produkter virksomheder i at opnå problemfri logistikoperationer, reducere omkostningerne og øge produktiviteten.
At bringe håndværk til fremtiden.
No.60, Zhenhu North Road, Hudai Town, Binhu District , Wuxi 214100, Kina







